Ф5.3723.007-01 Розетка СЦБ-7Р.01 Ф5.3723.006ТУ (Копир, Россия)
Вес:
15
гр.
Ф5.3723.007-01 Розетка СЦБ-7Р.01 Ф5.3723.006ТУ (Копир, Россия)
Количество:
59
руб.
Есть в наличии
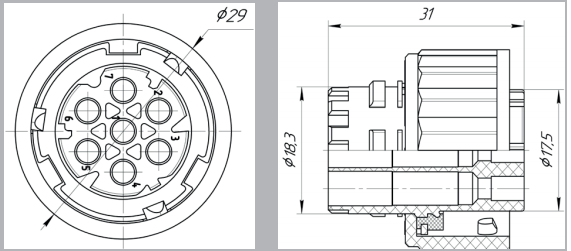
Соединитель электрический цилиндрический разъёмный, с фиксацией сочленённого положения накидной гайкой байонетного типа, защищённого исполнения, типа СЦБ, предназначен для использования в изделиях автотракторного электрооборудования для монтажа жгута проводов с медными жилами сечением от 0,5мм² до 2,5мм²
Климатическое исполнение «О».
Выпускаются по Ф5.3723.006 ТУ.
Диапазон рабочих температур от -60 °C до +115 °C.
Номинальное напряжение до 24В.
Номинальный ток: 25А
Степень защиты соединителей от проникновения посторонних тел и воды IP67.
Контакты 7 шт (в комплект не входят):
929989-1 сечение провода от 0,5 до 1мм², уплотнитель 828904-1
929990-1 сечение провода от 1,5 до 2,5мм², уплотнитель 828905-1
Гайка Ф58.939.016-01
/Соединители типа СЦБ/Ф5.3723.007-01/im-7163.png)