РЕГТАЙМ5-24-(0-600) (Энергомаш)

Вес:
20
гр.
Количество:
1 168
руб.
Есть в наличии


Предназначено для коммутации электрических цепей постоянного тока с номинальным напряжением 24В и используется для генерации импульсов различной длительности.
В реле предусмотрены ручная регулировка и визуальная диагностика длительности импульсов. Регулировка осуществляется подстроечными многооборотными резисторами через отверстия в корпусе.
Визуальная диагностика работы реле обеспечивается за счет применения в конструкции изделия встроенного светодиода и полупрозрачного корпуса.
Применяется на автомобилях любой марки.

Характеристики
Номинальное напряжение, В 24
Ток коммутации, А 20
Ток потребления, мА 30
Время работы, с (0-600)/(0-600)
Подстроечный резистор, об 11
Применяемость Автомобили любой марки с напряжением бортовой сети 24В
Габаритные размеры, мм 40х28х25
Масса, г 20

Описание

ИНСТРУКЦИЯ ПО МОНТАЖУ И ЭКСПЛУАТАЦИИ

1 Настройка

1.1 Подать питание на реле («31» - минус, «15» - плюс).
1.2 Измерить длительность импульсов, контролируя по светодиоду.
1.3 Настроить реле с помощью  подстроечных резисторов.
1.4 Проверить время работы, повторив п.1.1, 1,2.
1.5 При необходимости, повторить п.п. 1.3, 1.4.


2 Установка и подключение

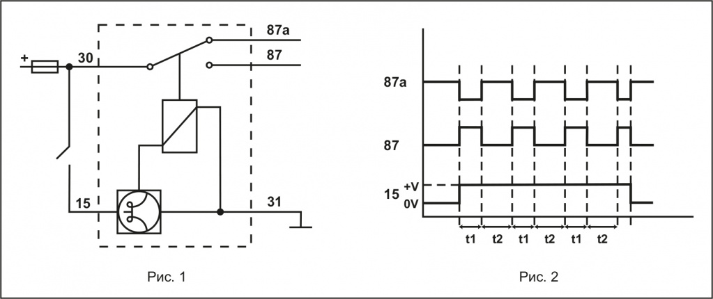
2.1 Подключить реле по схеме (рис.1).
2.2 Реле начинает работать после подачи напряжения питания на вывод «15», и в процессе работы должно быть постоянно запитано (рис.2). Поэтому, для включения/выключения реле, следует использовать кнопку с фиксацией (или тумблер).



 


Документы

Регтайм5-24-(0-600)(р.2)_инструкция

  • Номинальное напряжение, В
    24
  • Режим работы
    5
  • Время работы
    (0-60) с, (60-600) с, (0-600) с