РЕГТАЙМ3-24-(0-60) (для вкл/выкл и задержки выкл/вкл устройств на 0-60с)

Вес:
20
гр.
Количество:
1 005
руб.
Есть в наличии

Предназначено для коммутации электрических цепей постоянного тока с номинальным напряжением 24В и используется для включения и задержки выключения устройств на определенное время.
В реле  предусмотрены  ручная регулировка и визуальная  диагностика времени работы. Регулировка осуществляется подстроечным многооборотным резистором через отверстие в корпусе.
Визуальная диагностика работы реле обеспечивается за счет применения в конструкции изделия встроенного светодиода и прозрачного корпуса.
В комплект поставки входит защитный диод с проводами.
Применяется на автомобилях любой марки.

Характеристики
Номинальное напряжение, В 24
Ток коммутации, А 20
Ток потребления, мА 35
Время работы, с 0-60
Подстроечный резистор, об 11
Применяемость Автомобили любой марки с напряжением бортовой сети 24В
Габаритные размеры, мм 40х28х25
Масса, г 20

Описание

ИНСТРУКЦИЯ ПО МОНТАЖУ И ЭКСПЛУАТАЦИИ

1 Подключение

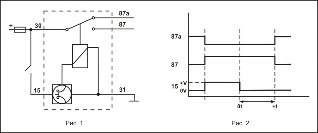
1.1 Подключить реле по схеме (рис.1).
1.2 При подключении индуктивной нагрузки, подсоединить параллельно ей защитный  диод (из комплекта), соблюдая полярность: желтый провод от диода - к «-» нагрузки, синий - к «+» нагрузки.

2 Настройка

2.1 Подать питание на реле («31» - «минус», «15» и «30» - «+»), светодиод загорится.
2.2 Снять питание с вывода «15» и измерить время работы.
Светодиод погаснет через заданное время после снятия питания с вывода «15».
2.3 Настроить реле на необходимое время с помощью подстроечного резистора.
2.4 Проверить время работы, повторив п.п.2.1, 2.2.
2.5 При необходимости, повторить п.п. 2.3, 2.4
Примечание: Реле начинает работать после подачи напряжения питания на вывод «15» при постоянно запитанном выводе «30». Отсчет времени начнется после снятия питания с вывода «15» (рис.2).



 


Документы

Регтайм3-24(р.4)_инструкция

  • Номинальное напряжение, В
    24
  • Режим работы
    3
  • Время работы
    (0-60) с