РЕГТАЙМ2-24-(60-600) (для вкл/выкл устройств через 60-600с)

Вес:
20
гр.
Количество:
1 005
руб.
Есть в наличии


Предназначено для коммутации электрических цепей постоянного тока с номинальным напряжением 24В и используется для включения или выключения устройств через определенное время.
В реле  предусмотрены ручная  регулировка и визуальная  диагностика времени работы. Регулировка осуществляется подстроечным многооборотным резистором через отверстие в корпусе.
Визуальная диагностика работы реле обеспечивается за счет применения в конструкции изделия встроенного светодиода и прозрачного корпуса.
Применяется на автомобилях любой марки.

Характеристики
Номинальное напряжение, В 24
Ток коммутации, А 20
Ток потребления, мА 35
Время работы, с 0-60
Подстроечный резистор, об 11
Применяемость Автомобили любой марки с напряжением бортовой сети 24В
Габаритные размеры, мм 40х28х25
Масса, г 20

 


Описание

ИНСТРУКЦИЯ ПО МОНТАЖУ И ЭКСПЛУАТАЦИИ

1 Настройка

1.1 Подать питание на реле («31» - «-», «15» - «+»).
1.2 Измерить время работы. Светодиод загорится через заданное время.
1.3 Настроить реле на необходимое время с помощью подстроечного резистора.
1.4 Проверить время работы, повторив п.1.1, 1,2.
1.5 При необходимости, повторить п.п. 1.3, 1.4


2 Установка и подключение

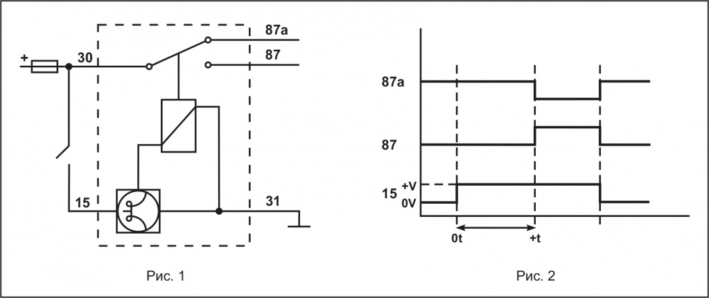
2.1 Подключить реле по схеме (рис.1).
2.2 Реле начинает работать после подачи напряжения питания на вывод «15» и в процессе работы должно быть всегда запитано (рис.2). Поэтому, для включения/выключения реле, следует использовать кнопку с фиксацией (или тумблер).



 


Документы

Регтайм2-24(р.2)_инструкция

  • Номинальное напряжение, В
    24
  • Режим работы
    2
  • Время работы
    (60-600) с