Дистанционный выключатель массы ДВМ1

Вес:
400
гр.
Количество:
8 468
руб.
Есть в наличии

Предназначен для отключения АКБ автомобиля при неработающем ДВС или при неисправных электрических цепях. Выключатель рассчитан для работы в однопроводной схеме электрооборудования постоянного тока с номинальным напряжением бортовой сети 12В.
Выключатель массы выполнен в герметичном корпусе с установленными внутри: силовым бистабильным реле (Gruner), платой управления на основе микроконтроллера и клеммной колодкой для подключения управляющего кабеля.
На корпусе изделия установлены 3 гермоввода для подключения силовых и управляющего кабелей.
Включение и выключение реле осуществляется кнопкой с фиксацией и подсветкой (выключателем), в комплект не входит.
Схема управления автоматически определяет замкнутое состояние силовых контактов реле и, в зависимости от него, включает или выключает подсветку кнопки.
Устройство обеспечивает коммутацию как “-”, так и “+” цепей.

Характеристики
Номинальное напряжение, В 12
Максимальный рабочий ток, A 1500
Номинальный ток переключения, А 250
Ток потребления (при выкл. индикации), не более, мА 1
Ток управления, не более, мА 1,5
Максимальная мощность подсветки кнопки, Вт 4
Сопротивление контактной группы, типовое, Ом 0,3
Степень защиты IP65
Температура эксплуатации, °C -40°C...+85°C
Присоединительные резьбовые клеммы М8
Габаритные размеры, мм 230х106х55
Гермовводы PG16 (для силовых проводов), PG07
Диаметр силового кабеля, мм 9-14
Диаметр управляющего кабеля, мм 3-6,5
Материал корпуса пластик
Масса, кг 0,4

 

ИНСТРУКЦИЯ ПО МОНТАЖУ И ЭКСПЛУАТАЦИИ

1 Установка и подключение
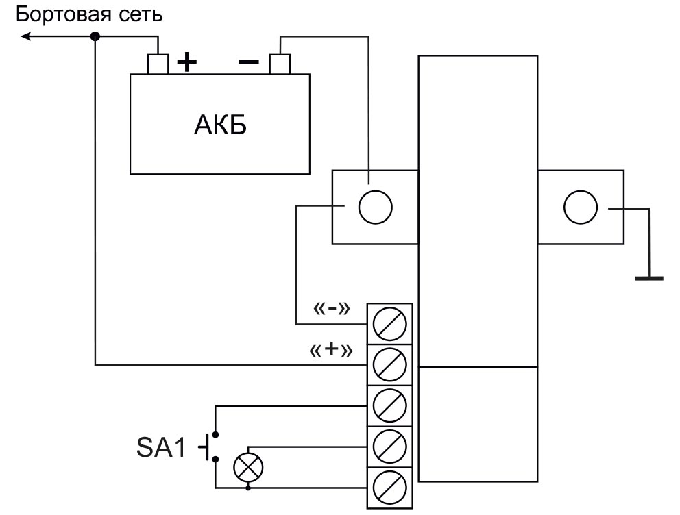
1.1 Выбрать место, подходящее для установки устройства в непосредственной близости от аккумулятора 
1.2 Отключить провод «массы» от аккумулятора!
1.3 Пропустить провода через гермовводы и подключить силовые провода (сечением не менее 25мм²) к болтовым контактам реле, провода управляющего кабеля - к клеммным контактам в соответствии со схемой (рис.1). 
1.4 Закрепить устройство на кузов автомобиля.

Подробнее об изделии:

ДВМ1(р.1)_инструкция.pdf

  • Максимальный ток, А
    1500 А