363.3787-01 (Энергомаш)

Вес:
105
гр.
Количество:
1 492
руб.
Есть в наличии

Предназначено для включения/выключения электрических цепей при достижении определенной температуры. Реле используются в сетях постоянного тока с напряжением до 30В и максимальным коммутируемым током 25А. Температура и гистерезис включения/выключения настраиваются по требованию заказчика от -45°С до +125°С. 

В комплект входит микропроцессорный датчик температуры с проводами и соединительной пяти контактной колодкой, что позволяет размещать реле в удобном для монтажа месте. Расположение датчика непосредственно в зоне контроля температуры позволяет достигнуть высокой точности срабатывания реле. 

Реле поставляется настроенным на диапазон срабатывания необходимый заказчику. При заказе уточняйте температуру включения и выключения.  Для тех кто самостоятельно хочет устанавливать температуру включения/выключения - необходимо приобрести  приспособление для настройки, при этом настройка осуществляется посредством двух встроенных  многооборотных резисторов.



Установка и подключение:

1. Закрепить колодку реле в наиболее удобном месте так, чтобы длины провода термодатчика хватило до зоны контроля температуры.

2. Расположить термодатчик непосредственно в зоне контроля температуры. Внимание!Не допускается расположение датчика температуры в агрессивных и жидких средах.

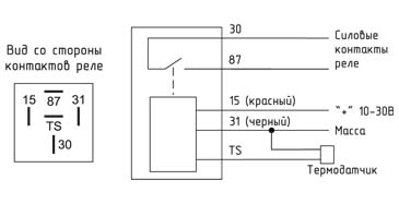
3. Произвести подключение в соответствии со схемой.

4. Установить реле в колодку.

Режим работы:

Реле начинает работать сразу после подачи питания. Силовые контакты реле замыкаются при достижении термодатчиком температуры включения и размыкаются при достижении температуры выключения.

Технические характеристики:

Название Показания
Температура включения/выключения, °C -45...+125
Погрешность, не более, °C 0,5
Напряжение питания, В 10-30
Ток коммутации, А 25
Провод коммутации, мм 200
Провод питания, мм 200
Провод с термодатчиком, мм 2500
Габаритные размеры реле, мм 40х28х25
Масса реле, не более, кг 0,02

 


Документы

363-01(р.1)_инструкция